Anterior
Siguiente

ELR-3C Relé diferencial analógico tipo A carril DIN

Referencia CELR3C Categoría Relés de Protección Diferencial Marca CONTREL ELETTRONICA

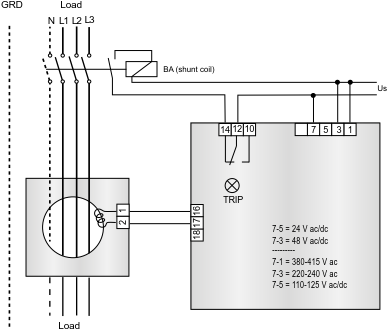
Relé diferencial analógico de fuga a tierra tipo A, con regulación de 0,025 a 25A y salida con 1 NAC.

Requiere de un toroidal externo de Contrel, que se adquiere aparte, del tipo:

  • Cerrado >> CT-1/ (diámetro del toroidal en mm 35/60/80/110/160/210/300)
  • Abierto>> CTA-1/ (diámetro del toroidal en mm 60/110/160/210)
209,95 €
136,47 € Ahorras 35%
Últimas unidades en stock

Para descuentos por cantidad, introduzca la cantidad deseada y se actualizará el precio para dicha cantidad

Para clientes de Latinoamérica, Unión Europea, Asia, y resto del mundo (exworks); o cantidades importantes

Características

  • Relé diferencial de fuga a tierra tipo A
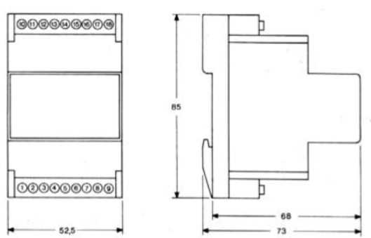
  • Carril DIN: 3 módulos
  • Alimentación:  110VAC/CC, 230 - 400 Vca ± 20%
    • Para las opciones 24-48VAC/CC o 12VAC/CC >> Consultar
  • Regulación de 0,025 a 25A (25÷250A con multiplicador externo)
  • Tiempo de disparo regulable 0,02-5segs
  • Salida: 1NAC 5A 250V
  • 1 umbral de intervención
  • Transformador toroidal externo.
  • Disparo l∆n y tiempo de intervención regulables.
  • Pulsadores frontales TEST y RESET.
  • Posibilidad de restablecimiento manual o automático.
  • Tipo de Conexión Bornas para cable de sección 2,5 mm
  • Grado de protección frontal IP40
  • Grado de protección bornas según DIN 40050 IP20
  • Para la opción de Tropicalización >> Consultar

Ficha del ELR-3C

Características del ELR-3C

Pago en Efectivo

Sólo Recogidas en EUROMATEL

Recoger sin coste en EUROMATEL

Envían a sus medios / agencia

Envío por DHL

Portes en factura