TR2-230VAC Módulo alimentación serie Gamma
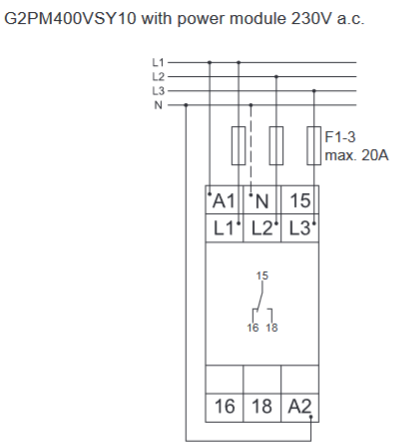
G2PM400VSY10
Relé de Control de Líneas Trifásicas Fase-Fase 400VAC. Formato Industrial de 22,5mm de ancho. Alimentación con módulos TR2, que se adquieren aparte, y salida 1NAC.
Precio rebajado:
162,47 €
Ahorras 35%
Últimas unidades en stock
Ficha de los relés tipo G2PM
Características de los G2PM
DESCUENTOS POR CANTIDAD - introduzca el nº de unidades y se actualizará el precio automáticamente
Clientes de Latinoamérica / Cantidades relevantes
Worldwide Customers
Características
- Relé Control Líneas Trifásicas Fase-Fase 3x400VAC
- Funciones de Protección
- Control de Mínima Tensión Trifásica (UNDER)
- Control de Tensión Trifásica dentro de un rango (WINDOW)
- Fallo de fase
- Inversión de la Secuencia de fases
- Asimetría (seleccionable)
- Pérdida de Neutro
- Alimentación Monotensión a través de los módulos TR2 - 230V/24V/400VAC
- Los módulos de alimentación TR2 no están incluidos y hay que adquirirlos aparte
- Conexión Opcional del Neutro
- Ejecución compacta con 1 contactos NAC
- Caja formato industrial de 22,5 mm de ancho
- Umbrales Un Ajustables
- Max: 80%...130% Un
- Min: 70%...120% Un
- Posibilidad de Configurar Retardo al Disparo >>> 0,1...10segs
- Fabricado por TELE HAASE en Austria
- Serie GAMMA
- Código: 2390500
- Código Tarifa Arancelaria: 85364900
- Bornes para 4 mm², con tornillos imperdibles
- Sustituye al antiguo relé TPW400VN4X
- Certificaciones y Homologaciones
Ficha de los relés tipo G2PM
Características de los G2PM
Pago por Transferencia
Proforma
Pago en Efectivo
Sólo Recogidas en EUROMATEL
Recoger sin coste en EUROMATEL
Envían a sus medios / agencia
Envío por DHL
Portes en factura
Productos Relacionados
-35%
